• Livraison 24-48h
  • Stock important
  • Meilleurs prix négociés

    pompes centrifuges industrielles

    Qu’est-ce qu’une pompe centrifuge industrielle ?

    Une pompe centrifuge est une machine rotative qui pompe un liquide en le forçant au travers un impulseur (roue à aubes ou d’une hélice). Elle utilise convertie la force mécanique d’un moteur en énergie cinétique ce qui permet de déplacer un / des fluides à travers un système de tuyauterie.

    Retrouver ci-dessous les autres catégories de pompes industrielles :

    Achetez votre pompes centrifuges industrielles

    Chez Cenov Distribution vous propose un gamme complète de pompes industrielles :

    Marques :
    Catégories :
    Famille :
    Sous-Famille :
    Sous-sous-Famille :

    FAQ

    Quels sont les types de pompes centrifuges ?

    Les pompes centrifuges peuvent être classées en plusieurs types en fonction de leur conception et de leur application. Les principaux types comprennent :

    • Pompes centrifuges à aspiration axiale (ou radiale) : Utilisées pour les applications générales de transfert de liquides.
    • Pompes centrifuges multicellulaires : Composées de plusieurs étages, elles sont utilisées pour des applications nécessitant une pression élevée.
    • Pompes centrifuges verticales : Conçues pour des installations verticales, souvent utilisées dans les systèmes de pompage d’eau profonde.
    • Pompes centrifuges à turbine : Utilisées pour les liquides contenant des particules solides en suspension.
    • Pompes centrifuges auto-amorçantes : Capables de se désamorcer et de reprendre leur fonctionnement automatiquement après une interruption.

     

    Comment bien choisir sa pompe centrifuge ?

    Définir les bonnes données d’entrées :

    Pour définir une pompe il faut connaitre les données ci-dessous :

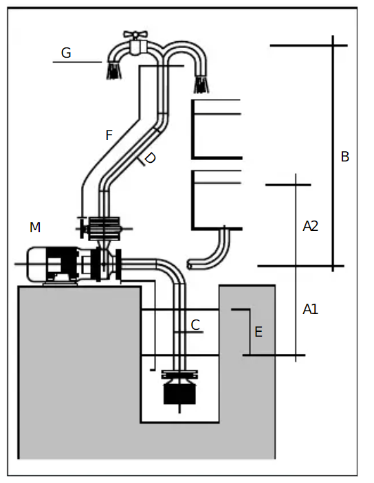
    Schéma Choix d'une pompe centrifugeA1 : hauteur géométrique d’aspiration (en mètres);(cas d’une pompe en aspiration) niveau liquide le plus bas
    A2 : hauteur géométrique d’aspiration (en mètres); (cas d’une pompe en charge sur bâche ou sur un liquide pressurisé)
    B : Hauteur géométrique de refoulement (en mètres)
    C : Diamètre intérieur de la tuyauterie d’aspiration (en mm)
    D : Diamètre intérieur de la tuyauterie de refoulement (en mm)
    E : Longueur développée de la tuyauterie d’aspiration (en mètres)
    F : Longueur développée de la tuyauterie de refoulement (en mètres)
    G : Pression de service ou pression résiduelle demandée au point de livraison le plus eloigné
    M: Le type de moteur(électrique, monophasé, triphasé, tension, périodes, essence ou diesel)

    Informations sur le liquide pompé :

      • Nature
      • Temperature du liquide pompe (°C)
      • Viscosite du liquide pompe (cp ou mPa/s)
      • Corrosivite du liquide pompe (Ph)
      • Densité
      • Concentration
    Le débit total de liquide souhaité  (addition du débit maximum à chaque point)
    Altitude du lieu d’installation (en mètres)

    Calculer les données clefs :

    Les données ci-dessus permettent de calculer :

    • La hauteur manométrique d’aspiration (H.M.A).
    • Calcul des pertes de charges
    • Calcul de la hauteur manométrique totale (H.M.T)

     

    Choix de la pompe :

    Pour choisir la pompe il faudra que :

    • sa courbe corresponde à la fois au H.M.T et au débit calculés.
    • qu’elle soit compatible avec le fluide pompé
    • valider le rendement énergétique, sa maintenabilité, son cout de maintenance, d’installation, …

    Vous n’êtes pas sur de votre choix contactez nos experts

    Dans quels secteurs sont utilisées les pompes centrifuges ?

    Les pompes centrifuges sont utilisées dans de nombreux secteurs, notamment :

    • Industrie chimique et pétrochimique : Pour le transfert de produits chimiques et de carburants.
    • Traitement de l’eau et des eaux usées : Pour le pompage de l’eau potable et des eaux usées.
    • Industrie alimentaire et pharmaceutique : Pour le traitement des liquides alimentaires et pharmaceutiques.
    • Secteur agricole : Pour l’irrigation et le pompage des eaux souterraines.
    • Industrie minière : Pour le transfert de boues et de liquides contenant des particules solides

    Quelles sont les principales considérations pour l'entretien des pompes centrifuges ?

    Pour assurer un bon fonctionnement et une longue durée de vie des pompes centrifuges, il est important de :

    • Effectuer des inspections régulières : vérifier l’état des pièces et des composants.
    • Assurer une lubrification adéquate : Maintenir les niveaux d’huile et de graisse appropriés.
    • Surveiller les vibrations et les bruits : Identifier et corriger les anomalies.
    • Nettoyer les filtres et les crépines : Éviter les obstructions et maintenir un débit optimal